IM网页版页面登录

Media Center

广东东方雨虹获“广州市职业技能等级认定社会培训评价组织”资质

2021-09-07 作者:秦博文 浏览数:

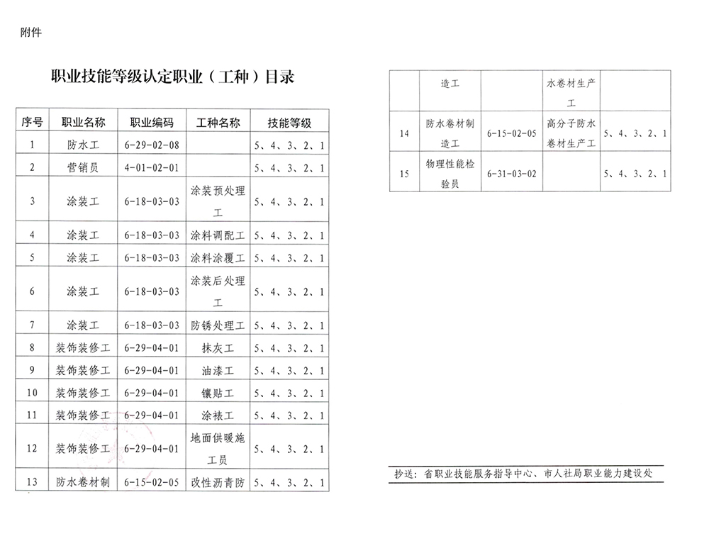
9月1日,广州市职业技能鉴定指导中心发布《关于公布第三批企业职业技能等级认定机构名单的通知》。广东东方雨虹防水工程有限公司共获批含防水工、涂装工、装饰装修工等15个职业(工种)的职业技能等级认定资质。


 

技能人才评价是继国家职业资格制度改革后,中国技能人才评价的主要方式;参加职业技能等级认定,有助于提升从业人员自身技能水平和就业创业能力,践行“长技能、好就业”的初衷。

东方雨虹将结合行业需求及自身优势,聚焦应用型人才核心能力的创新培养模式,从而更好地在服务国家战略,引领和支撑行业发展需求方面发挥重要作用,为行业提供高素质应用创新型人才。

东方雨虹官方微博

东方雨虹官方微信

扫描关注

东方雨虹官方微信

随时了解最新资讯

东方雨虹电子月刊

扫描阅读

东方雨虹电子月刊

推荐新闻

查看全部 >>